The HITEKNOVA MF2500 / MF2500T Series is a smart, high-precision, and highly flexible roll-forming system designed for a wide range of light-steel construction applications.
It is ideally suited for 1–3 level residential houses and villas, as well as 1–6 level apartment buildings, and is fully compatible with both CC and CU framing systems. Engineered for exceptional forming accuracy, wide profile adaptability, and enhanced production efficiency, the MF1600 Series delivers reliable performance for both residential and light commercial construction.
Producing profiles from 75mm to 250mm in width, and material thicknesses up to 2.5mm, the MF2500 / MF2500T achieves forming speeds of up to 35m/min, ensuring efficient output across various building applications.
The MF2500 / MF2500T supports a wide range of structural components, including:
- Roof trusses in 75mm, 89mm, and 140mm
- Light-duty floor joists in 89mm, 140mm, 200mm, and 250mm
- Commercial wall studs in 75mm, 89mm, 100mm, 140mm, and 160mm
With its high adaptability and precision engineering, theMF2500 / MF2500T is an excellent choice for modular construction, multi-story residential projects, and high-strength framing requirements.
| Quick detail | |
| Item | Specification |
| Model number | MF2500 |
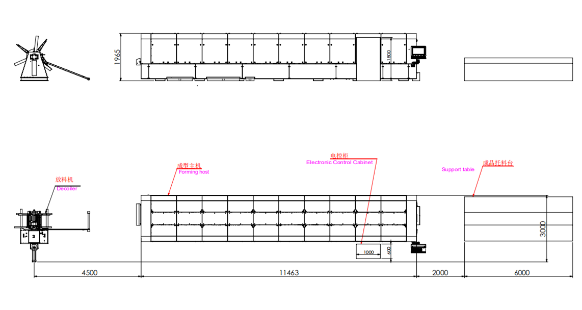
| Dimensions L x W x H | 11.46m x 3.0m x 1.96m |
| Weight | 15T |
| Drive Motor Power | 30KW |
| Hydraulic Power | 11KW |
| Hydraulic Tank | 200L |
| Forming Stages | 19 |
| Line Speed | 35m/min |
| Profile Width Range | 75-250mm |
| Thickness | 0.75-2.5mm |
| Touch Screen | Panel PC (Windows 10) |
| Machine Input Files | CSV |
| Tooling | 13 Standard Tools |
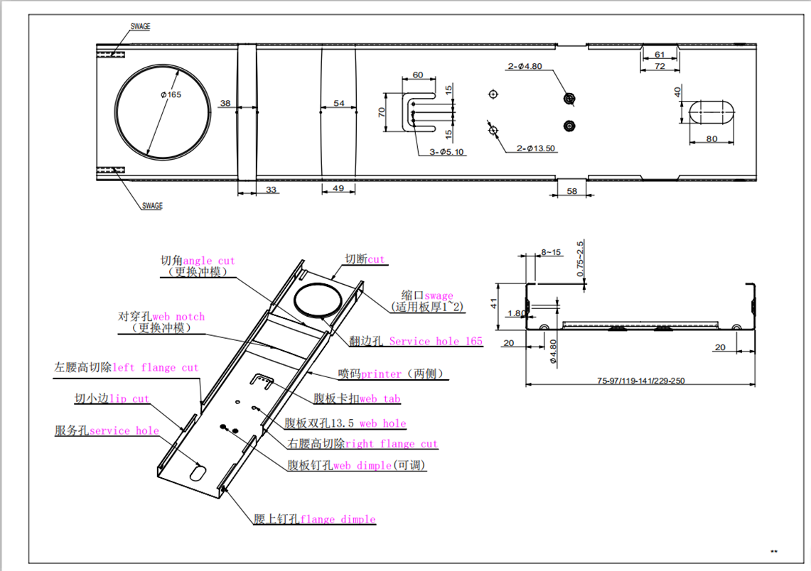
| 1、End truss;
2、Web notch; 5、Service hole; 9、Web hole 13.5; 13、End Cut-off |
|
| Component Marking | Dual Head Inkjet Printer |
Flow chart
Profile Drawings
Machine Video
Machine Picture
Application















